L-Kannake perävaunuun 720×680 mm
Tilaustuote
Arvioitu toimitusaika:
21-30 arkipäivää
177,90 €141,75 €
Osta yhdessä
Kuvaus
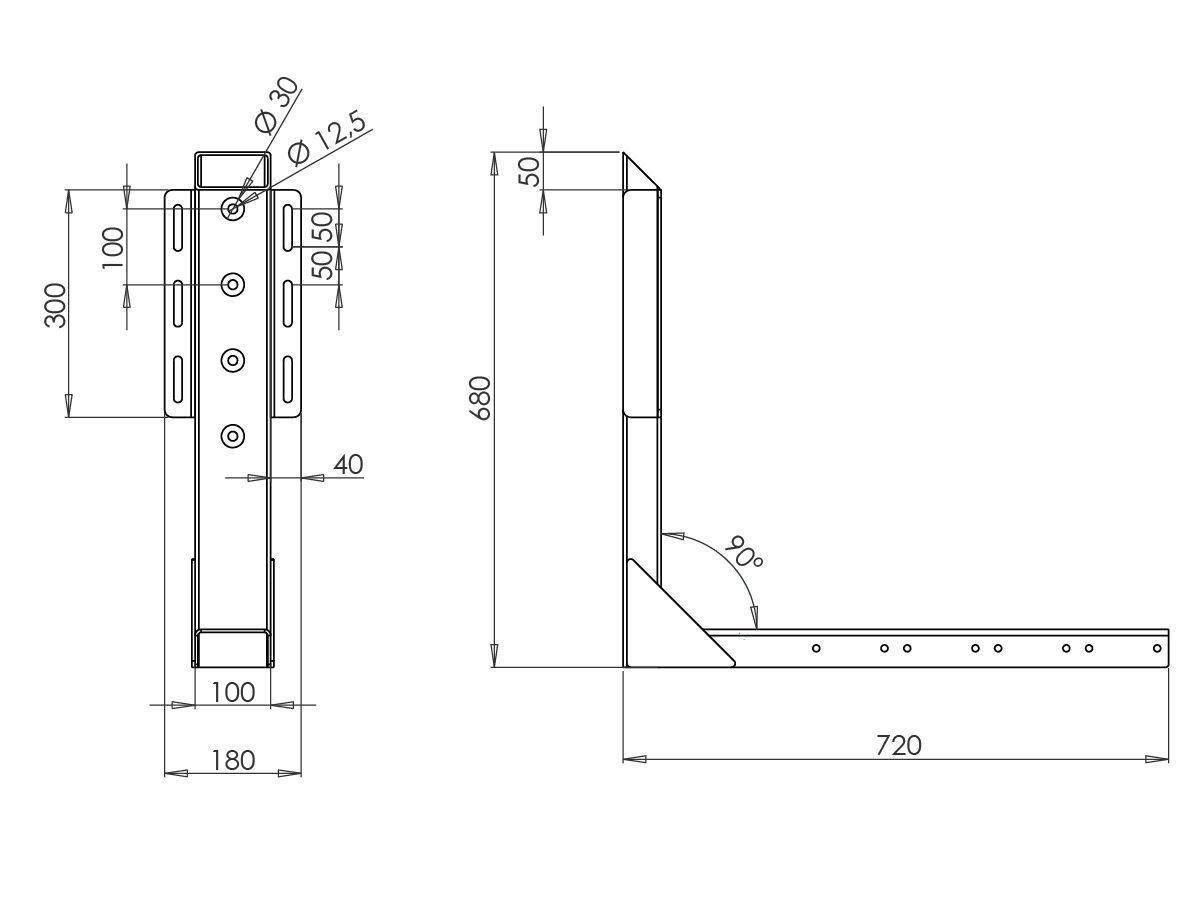
Vankkarakenteinen L-kannake erityisesti kookkaiden ja painavien työkalulaatikoiden kiinnitykseen perävaunuun. Soveltuu erinomaisesti ammattikäyttöön, jossa vaaditaan kestävyyttä ja luotettavuutta.
Kannaketta voidaan käyttää yksittäin tai asentaa useampi rinnakkain suurempien kokonaisuuksien tukemiseksi.
Lisävakautta ja kantavuutta varten saatavilla erilliset lisätuet.
Yhteensopivat lisätuet (myydään erikseen):
- Tuotekoodi: 1054-0033
- Tuotekoodi: 1054-0032
Tekniset tiedot:
- Mitat: 720 × 680 mm
- Materiaali: kuumasinkitty teräs
- Paino: 12 kg
Sopii ajoneuvoon
L-Kannake perävaunuun 720x680 mm sopii seuraaviin merkkeihin/malleihin:
Sopii kaikkiin ajoneuvoihin ja ajoneuvomalleihin.






















